دسته‌های محصولات

الکتروموتور دیزل ساز

دیزل ساز (DIESEL SAZ) در ایران به ساخت الکتروموتور مشغول بوده و این محصولات را مطابق استانداردهای جهانی طراحی می‌کند. محصولات الکتروموتور دیزل ساز بر اساس استاندارد بازدهی الکتریکی، در دو دسته بندی IEC2 و IEC3 تولید می‌شود. همچنین تمامی مدل‌های عرضه شده از دینام دیزل ساز با کلاس حفاظتی IP55 ساخته و روانه بازار می‌شوند. موتورهای دیزل ساز در مدل‌های زیر تولید و توسط شرکت پایا گسترش خورشید تابان به فروش می‌رسند. در ادامه هر یک از این مدل‌ها را معرفی و مشخصات آن‌ها را بررسی خواهیم کرد.

الکتروموتور دیزل ساز سه فاز آلومینیومی

مدل‌های الکتروموتور دیزل ساز سه فاز آلومینیومی با توان مصرفی 0.75 تا 18.5 کیلووات کار می‌کنند. مدل‌های موتور سه فاز آلومینیومی دیزل ساز به این ترتیب هستند:

  • دینام دیزل ساز سه فاز آلومینیومی مدل ME2-801-2
  • دینام دیزل ساز سه فاز آلومینیومی مدل ME2-802-2
  • دینام دیزل ساز سه فاز آلومینیومی مدل ME2-90S-2
  • دینام دیزل ساز سه فاز آلومینیومی مدل ME2-90L-2
  • دینام دیزل ساز سه فاز آلومینیومی مدل ME2-100L-2
  • دینام دیزل ساز سه فاز آلومینیومی مدل ME2-112M-2
  • دینام دیزل ساز سه فاز آلومینیومی مدل ME2-132S1-2
  • دینام دیزل ساز سه فاز آلومینیومی مدل ME2-132S2-2
  • دینام دیزل ساز سه فاز آلومینیومی مدل ME2-160M1-2
  • دینام دیزل ساز سه فاز آلومینیومی مدل ME2-160M2-2
  • دینام دیزل ساز سه فاز آلومینیومی مدل ME2-160L-2

نمایی کلی از موتور سه فاز آلومینیومی دیزل ساز:

الکتروموتور سه فاز آلومینومی دیزل ساز – پایا گسترش

الکتروموتور سه فاز آلومینومی دیزل ساز – پایا گسترش

جدول مشخصات فنی موتور سه فاز آلومینومی 2 پل دیزل ساز:

مدل توان مصرفی راندمان کاری ضریب توان
ME2-801-2 0.75 1.75 0.8
ME2-802-2 1.1 2.42 0.82
ME2-90S-2 1.5 3.2 0.83
ME2-90L-2 2.2 4.54 0.84
ME2-100L-2 3 5.88 0.87
ME2-112M-2 4 7.56 0.89
ME2-132S1-2 5 10.25 0.89
ME2-132S2-2 7.5 13.8 0.88
ME2-160M1-2 11 19.9 0.89
ME2-160M2-2 15 26.9 0.89
ME2-160L-2 18.5 33 0.89

جدول مشخصات فنی موتور سه فاز آلومینومی 4 پل دیزل ساز:

مدل توان مصرفی راندمان کاری ضریب توان
ME2-802-4 0.75 79.6 0.76
ME2-90S-4 1.1 81.4 0.78
ME2-90L-4 1.5 82.8 0.79
ME2-100L-4 2.2 84.3 0.78
ME2-112M-4 3 86.6 0.8
ME2-132S1-4 4 86.6 0.81
ME2-132S2-4 5.5 87.9 0.83
ME2-160M1-4 7.5 88.7 0.84
ME2-160M2-4 11 89.98 0.84
ME2-160L-4 15 90.6 0.85

جدول مشخصات فنی موتور سه فاز آلومینومی 6 پل دیزل ساز:

مدل توان مصرفی  راندمان کاری ضریب توان
ME2-90L-6 0.75 76 0.71
ME2-90L-6 1.1 78.1 0.72
ME2-100L-6 1.5 80 0.73
ME2-112M-6 2.2 81.8 0.75
ME2-132S1-6 3 83.8 0.76
ME2-132S2-6 4 84.6 0.77
ME2-160M1-6 5.5 86 0.77
ME2-160M2-6 7.5 87.2 0.78
ME2-160L-6 11 88.7 0.78

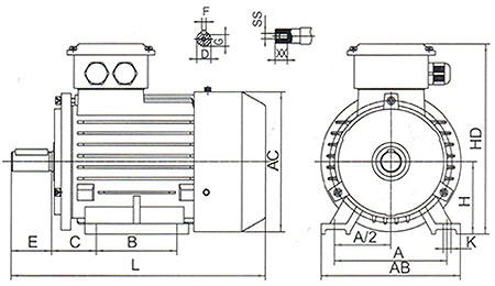
جدول ابعاد و اندازه دینام آلومینیومی سه فاز دیزل ساز:

تصویر شماتیک الکتروموتور سه فاز آلومینیومی دیزل ساز - پایا گسترش

تصویر شماتیک الکتروموتور سه فاز آلومینیومی دیزل ساز – پایا گسترش

سایز فریم 80M 90S 90L 100L 112M 132S 132M 160M 160L
A/2 62.5 70 70 80 95 108 108 127 127
A 125 140 140 160 190 216 216 254 254
B 100 100 125 250 140 140 178 210 254
C 50 56 56 63 70 89 89 108 108
D 19 24 24 28 28 38 38 42 42
E 6 8 8 8 8 10 10 12 12
F 6 8 8 8 8 10 10 12 12
G 15.5 20 20 24 24 33 33 37 37
H 80 90 90 100 112 132 132 160 160
K 10 10 10 12 12 12 12 15 15
HD 220 250 250 270 300 345 345 420 420
L 295 320 345 385 400 470 510 615 670

موتور دیزل ساز سه فاز چدنی

شرکت دیزل ساز الکتروموتورهای سه فاز بدنه چدنی را با توان مصرفی 0.18 تا 315 کیلووات تولید می‌کند. این محصولات با ویژگی YE2-3 و راندمان بهره وری IE2 و IE3 طراحی شدند. از جمله ویژگی‌های منحصر به فرد این الکتروموتور می‌توان به داشتن راندمان الکتریکی بالا، بیرینگ‌هایی با طول عمر بالا، کلاس حرارتی H و کلاس محافظت IP55 اشاره کرد. دینام‌های سه فاز بدنه چدنی دیزل ساز با پایه‌ B3 با فنلج، B5 و B14 نصب می‌شوند. مدل‌های موتور سه فاز بدنه چدنی دیزل ساز به این ترتیب هستند:

  • موتور سه فاز آلومینیومی دیزل ساز مدل YE3-160M1-2
  • موتور سه فاز آلومینیومی دیزل ساز مدل YE3-160M2-2
  • موتور سه فاز آلومینیومی دیزل ساز مدل YE3-160L-2
  • موتور سه فاز آلومینیومی دیزل ساز مدل YE3-180M-2
  • موتور سه فاز آلومینیومی دیزل ساز مدل YE3-200L1-2
  • موتور سه فاز آلومینیومی دیزل ساز مدل YE3-200L2-2
  • موتور سه فاز آلومینیومی دیزل ساز مدل YE3-225M-2
  • موتور سه فاز آلومینیومی دیزل ساز مدل YE3-250M-2
  • موتور سه فاز آلومینیومی دیزل ساز مدل YE3-280M-2
  • موتور سه فاز آلومینیومی دیزل ساز مدل YE3-315M-2
  • موتور سه فاز آلومینیومی دیزل ساز مدل YE3-315S-2
  • موتور سه فاز آلومینیومی دیزل ساز مدل YE3-315L1-2
  • موتور سه فاز آلومینیومی دیزل ساز مدل YE3-315L2-2
  • موتور سه فاز آلومینیومی دیزل ساز مدل YE3-355M-2
  • موتور سه فاز آلومینیومی دیزل ساز مدل YE3-355L-2

نمایی کلی از موتور سه فاز بدنه چدن دیزل ساز:

الکتروموتور سه فاز بدنه چدن دیزل ساز – پایا گسترش

الکتروموتور سه فاز بدنه چدن دیزل ساز – پایا گسترش

جدول مشخصات فنی موتور بدنه چدن سه فاز دیزل ساز:

مدل توان مصرفی اسب بخار دور آمپر راندمان
YE3-160M1-2 11 15 اسب 3000 20.4 آمپر %35.7
YE3-160M2-2 15 20 اسب 3000 27.2 آمپر 48.6
YE3-160L-2 18.5 25 اسب 3000 34.1 آمپر 30.1
YE3-180M-2 22 30 اسب 3000 40.1 آمپر 71.1
YE3-200L1-2 30 40 اسب 3000 54.8 آمپر 96.8
YE3-200L2-2 37 50 اسب 3000 65.9 آمپر 119
YE3-225M-2 45 60 اسب 3000 82.5 آمپر 145
YE3-250M-2 55 78 اسب 3000 99.6 آمپر 176.9
YE3-2280S-2 75 100 اسب 3000 134 آمپر 240.8
YE3-2280M-2 90 125 اسب 3000

165 آمپر

288.9
YE3-315M-2 110 150 اسب 3000 195 آمپر 352.8
YE3-315L1-2 132 180 اسب 3000 233 آمپر 432.3
YE3-315L2-2 170 200 اسب 3000 283 آمپر 512.8
YE3-315M-2 200 270 اسب 3000 349 آمپر 640.9
YE3-355M-2 250 340 اسب 3000 431 آمپر 800.6
YE3-355L-2 315 430 اسب 3000 543 آمپر 1009
YE3-315S-2 110 150 اسب 3000 195 آمپر 352.8

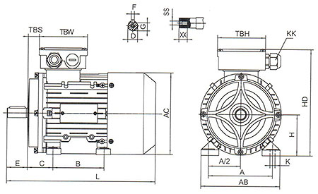
جدول ابعاد و اندازه موتور سه فاز بدنه چدنی دیزل ساز:

تصویر شماتیک الکتروموتور سه فاز بدنه چدن دیزل ساز - پایا گسترش

تصویر شماتیک الکتروموتور سه فاز بدنه چدن دیزل ساز – پایا گسترش

سایز فریم B5 B3
T S P N M A A/2 B C D E
71M 3.5 10 160 110 130 112 56 90 45 14 30
80M 3.5 12 200 130 165 125 62.5 100 50 19 40
90S 3.5 12 200 130 165 140 70 100 56 24 50
90L 3.5 12 200 130 165 140 70 125 56 24 50
100L 4 14.5 250 180 215 160 80 140 63 28 60
112M 4 14.5 250 180 215 190 95 140 70 28 60
132S 4 14.5 300 230 265 216 108 140 89 38 80
132M 4 14.5 300 230 265 216 108 178 89 38 80
160M 5 18.5 350 250 300 254 127 210 108 42 110
160L 5 18.5 350 250 300 254 127 254 108 42 110
180M 5 18.5 350 250 300 279 139.5 241 121 48 110
180L 5 18.5 350 250 300 279 139.5 279 121 48 110
200L 5 18.5 400 300 350 318 159 305 133 55 110

.

سایز فریم 225S 225M 250M 280S/M 315S/M/L 355M/L
B3 A 356 356 406 457 508 610
B 286 311 349 368/419 406/457/508 560/630
C 149 149 168 190 216 254
D 60 55/60 60/65 65/75 65/80 75/95
E 140 110/140 140 140 140/170 140/170
F 18 16/18 18 18/20 18/22 20/25
G 53 49/53 53/58 58/67.5 58/71 67.5/86
H 225 225 250 280 315 355
K 19 19 24 24 28 28
B5 M 400 400 500 500
N 350 350/450 450 450
P 450 450 450 550
S 18.5 18.5 18.5 18.5
T’ 5 5 5 5

الکتروموتور تک فاز دیزل ساز

الکتروموتور تک فاز دیزل ساز قادر است با توان مصرفی 0.37 تا 15 کیلووات فعالیت کند. مدل‌های این موتور عبارت اند از:

  • الکتروموتور تک فاز 0.37 کیلووات 0.5 اسب دیزل ساز
  • الکتروموتور تک فاز 0.55 کیلووات 0.75 اسب دیزل ساز
  • الکتروموتور تک فاز 0.75 کیلووات 1 اسب دیزل ساز
  • الکتروموتور تک فاز 1.1 کیلووات 1.5 اسب دیزل ساز
  • الکتروموتور تک فاز 1.5 کیلووات 2 اسب دیزل ساز
  • الکتروموتور تک فاز 2.2 کیلووات 3 اسب دیزل ساز

نمایی کلی از الکتروموتور تک فاز دیزل ساز:

الکتروموتور تک فاز دیزل ساز – پایا گسترش

الکتروموتور تک فاز دیزل ساز – پایا گسترش

جدول مشخصات فنی و ابعاد الکتروموتور تک فاز دیزل ساز:

فریم سایز توان (کیلووات)
71 0.37
80 0.75
80 تا 90 1.1
90 1.5
90 تا 100 2.2
112 4
160 15

موارد مصرف الکتروموتور دیزل ساز

از موتورهای تولید شده در شرکت دیزل ساز در زمینه‌های خانگی و صنعتی استفاده می‌شود:

  • انواع پمپ
  • کمپرسور هوا
  • سیستم انتقال انرژی
  • سیستم‌های مبتنی بر آب (هیدرولیکی)
  • صنایع (از جمله صنعت فولاد)

نحوه انتخاب موتور دیزل ساز

موتورهای دیزل ساز از تنوع بالایی برخوردار هستند و برای انتخاب بهترین گزینه از بین آن‌ها لازم است به نکاتی توجه داشته باشید. برای این کار، ابتدا با مشخصات فنی مورد نیاز خودتان آشنا شوید. سپس کیفیت و متریال مورد استفاده در محصولات را با شرایط محیطی محل نصب تطبیق دهید.

بعد از کسب اطمینان از کارایی محصول، می‌توانید نسبت به سفارش محصول مورد نظر اقدام کنید. توجه داشته باشید که یک موتور باکیفیت، طول عمر بیشتری هم دارد و در نهایت از لحاظ هزینه به صرفه خواهد بود. شرکت دیزل ساز یکی از بزرگ‌ترین کارخانه‌های صنعتی در ایران را داشته و محصولاتی باکیفیت و مطابق استاندارد جهانی تولید می‌کند.

خرید الکتروموتور دیزل ساز از پایا گسترش

شرکت پایا گسترش خورشید تابان بزرگ‌ترین نمایندگی شرکت دیزل ساز در ایران است. با خرید محصولات دیزل ساز از پایا گسترش، محصولی اورجینال را با قیمت دسته اول تهیه می‌کنید. برای کسب اطلاعات بیشتر و استعلام قیمت الکتروموتور دیزل ساز با مشاوران شرکت پایا گسترش خورشید تابان تماس بگیرید.

انواع الکتروموتور مثل الکتروموتور جمکو (JEMCO)، استریم (STREAM)، ایتال موتورز (ITAL MOTORS) و WEG به صورت تک یا عمده در شرکت پایا گسترش به فروش می‌رسد. برای ثبت سفارش و خرید محصول مورد نظر می‌توانید به صورت حضوری یا غیرحضوری اقدام کنید و سفارش خود را در سریع‌ترین زمان ممکن تحویل بگیرید.

دسته بندی‌های پیشنهادی